
Honda GX25NT (GCART) Engine Parts
Spare Parts for Honda GX25NT (GCART) Engines.

Spare Parts for Honda GX25NT (GCART) Engines.

Shop by diagram

Cam Pulley Assembly for Honda

Recoil Starter for Honda GX25NT

Fan Cover/Clutch Assembly

Carburettor Assembly for GX25NT

Air Cleaner for Honda GX25NT

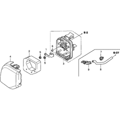
Muffler Assembly for Honda GX25NT

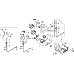
Fuel Tank Assembly for Honda GX25NT

Flywheel Assembly for Honda GX25NT

Crankcase Set for Honda GX25NT

Top Cover for Honda GX25NT

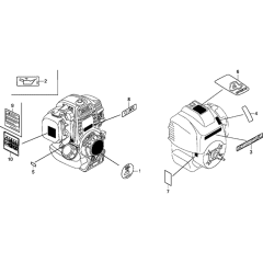
Label Assembly for Honda GX25NT

Tool Assembly for Honda GX25NT

Crankshaft/Piston Assembly
All products
-
Fuel Pipe for Honda GX25 Engines - 17703 Z0H J71£9.52 £7.93
-
Shroud for Honda GX25T Engines - OEM No. 19631-Z0H-010£13.63 £11.36
-
Dipstick for Honda GX25T Engines - 15600-Z0T-800£10.52 £8.77