
Husqvarna 541RST Brushcutter Parts
Spares for Husqvarna 541RST Brushcutter
Spares for Husqvarna 541RST Brushcutter
Shop by diagram

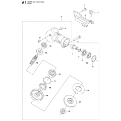
Gears Assembly for Husqvarna

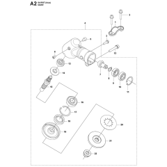
Gears-2 Assembly for 541RST

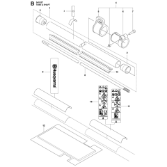
Tube & Shaft Assembly Husqvarna

Handle Assembly for 541RST

Throttle Controls for Husqvarna 541RST

Clutch Assembly for Husqvarna

Ignition System for Husqvarna 541RST

Cylinder Cover for Husqvarna 541RST

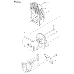
Muffler Assembly for 541RST

Starter Assembly for Husqvarna

Fuel Tank Assembly for Husqvarna

Carburetor & Air Filter Assembly

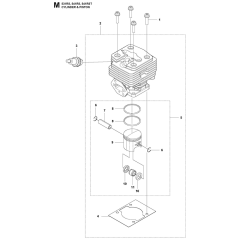
Cylinder Piston Assembly

Crankshaft Assembly for 541RST

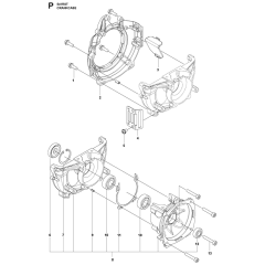
Crankcase Assembly for Husqvarna

Carburetor Assembly for Husqvarna

Accessories for Husqvarna 541RST

Accessories for Husqvarna 541RST

Accessories for Husqvarna 541RST
All products
-
Screen - Genuine Husqvarna Part - 520 95 70-01£2.59 £2.16
-
Gasket - Genuine Husqvarna Part - 505 30 50-01£3.04 £2.53
-
Pipe-C - Genuine Husqvarna Part - 505 31 03-01£14.12 £11.77
-
Front Piece - Genuine Husqvarna Part - 537 28 84-01£17.12 £14.27