
Husqvarna 535FBX Brushcutter Parts
Spares for Husqvarna 535FBX Brushcutter
Spares for Husqvarna 535FBX Brushcutter
Shop by diagram

Short Block Assembly for 535FBX

Harness Assembly for 535FBX

Suspension Assembly for 535FBX

Harness-2 Assembly for 535FBX

Tube Assembly for 535FBX

Shaft Assembly for 535FBX

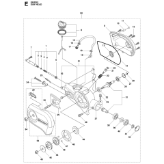
Saw Head Assembly for 535FBX

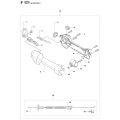
Throttle Controls for 535FBX

Clutch Cover for Husqvarna 535FBX

Cover Assembly for 535FBX

Muffler Assembly for 535FBX

Fuel Tank Assembly for 535FBX

Carburetor & Air Filter Assembly

Starter Assembly for 535FBX

Ignition & Clutch Assembly

Cylinder Piston Assembly

Crankshaft Assembly for 535FBX

Crankcase Assembly for 535FBX

Accessories for Husqvarna 535FBX

Carburetor for Husqvarna 535FBX
All products
-
Starter Pawl Bridge - Genuine Husqvarna No. 503 87 33 05£16.18 £13.48