
Husqvarna 543RBX Brushcutter Parts
Spares for Husqvarna 543RBX Brushcutter
Spares for Husqvarna 543RBX Brushcutter
Shop by diagram

Gears Assembly for Husqvarna

Tube Assembly for 543RBX

Handle Assembly for 543RBX

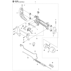
Throttle Controls for 543RBX

Clutch Assembly for 543RBX

Ignition System for Husqvarna 543RBX

Cylinder Cover for Husqvarna 543RBX

Muffler Assembly for 543RBX

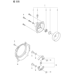
Starter Assembly for 543RBX

Fuel Tank Assembly for 543RBX

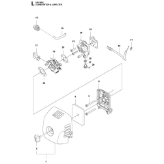
Carburetor & Air Filter for 543RBX

Cylinder Piston Assembly

Crankshaft Assembly for 543RBX

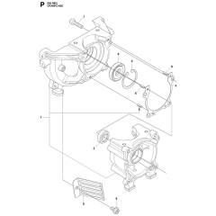
Crankcase Assembly for 543RBX

Carburetor Assembly for 543RBX

Accessories for Husqvarna 543RBX

Accessories for Husqvarna 543RBX

Harness Assembly for 543RBX

Harness-2 Assembly for 543RBX
All products
-
Holder(B) - Genuine Husqvarna Part - 511 58 38-01£21.12 £17.60
-
Screen - Genuine Husqvarna Part - 520 95 70-01£2.59 £2.16
-
Cable - Genuine Husqvarna Part - 574 27 05-01£17.70 £14.75
-
Bolt - Genuine Husqvarna Part - 506 68 90-01£1.98 £1.65