
Husqvarna 543RS Brushcutter Parts
Spares for Husqvarna 543RS Brushcutter
Spares for Husqvarna 543RS Brushcutter
Shop by diagram

Bevel Gear Assembly for 543RS

Shaft Assembly for 543RS

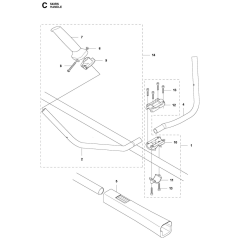
Handle Assembly for 543RS

Throttle Controls for Husqvarna 543RS

Fuel Tank Assembly for 543RS

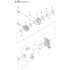
Clutch Assembly for Husqvarna

Cylinder Cover for Husqvarna 543RS

Muffler Assembly for 543RS

Carburetor & Air Filter Assembly

Starter Assembly for 543RS

Ignition System for Husqvarna 543RS

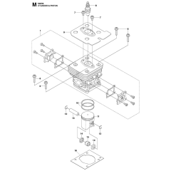
Cylinder Piston Assembly

Crankshaft Assembly for 543RS

Crankcase Assembly for 543RS

Carburetor Assembly for 543RS

Accessories for Husqvarna 543RS

Accessories for Husqvarna 543RS

Harness Assembly for 543RS
All products
-
Holder(B) - Genuine Husqvarna Part - 511 58 38-01£21.12 £17.60
-
Screen - Genuine Husqvarna Part - 520 95 70-01£2.59 £2.16
-
Bolt - Genuine Husqvarna Part - 506 68 90-01£1.98 £1.65