
Husqvarna R418 TS AWD Rider Parts
Spares for Husqvarna R418 TS AWD Riders
Spares for Husqvarna R418 TS AWD Riders
Shop by diagram

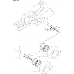
Chassis Rear Assembly

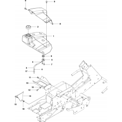
Fuel System for Husqvarna R418 TS

Seat Assembly for Husqvarna R418

Wheels and Tyres for Husqvarna

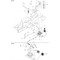
Pedals Assembly for Husqvarna

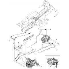
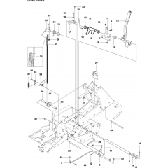
Transmission Assembly for Husqvarna

Hydraulic Pump Motor Assembly

Hydraulic Pump Motor Assembly

Frame Assembly for Husqvarna R418

Transmission Assembly for R418 TS AWD

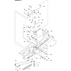
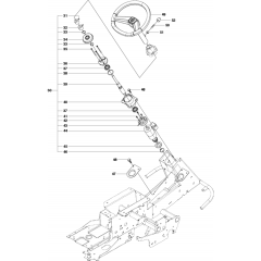
Steering Assembly for R418 TS AWD

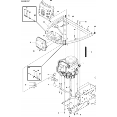
Engine Assembly for Husqvarna R418

Electrical Assembly for R418 TS AWD

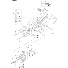
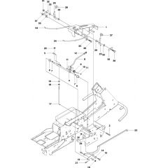
Mower Lift Assembly

Steering Assembly for Husqvarna

Decals for Husqvarna R418 TS

Height Adjustment Assembly

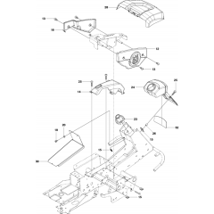
Chassis Assembly for Husqvarna

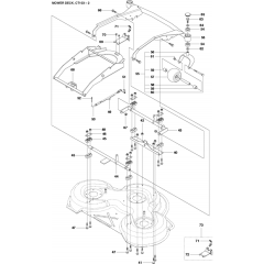
Cover Assembly for Husqvarna

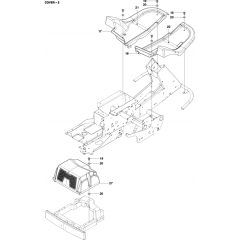
Cover Assembly for Husqvarna R418

Cover Assembly-3 for Husqvarna

Cover Assembly for Husqvarna

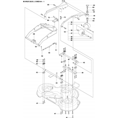
94cm Cutting Deck for Husqvarna

94cm Cutting Deck for Husqvarna

94cm Cutting Deck for Husqvarna

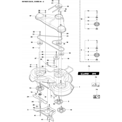
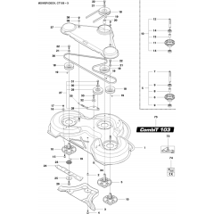
103cm Cutting Deck Assembly

103cm Cutting Deck Assembly

103cm Cutting Deck Assembly

44"/112cm Cutting Deck

44" Cutting Deck Assembly
All products
-
Tensioner for Husqvarna PR15, PR17 Riders - 506 99 30-01£59.94 £49.95