
Husqvarna R422 Ts AWD Rider Parts
Spares for Husqvarna R422 Ts AWD Riders
Spares for Husqvarna R422 Ts AWD Riders
Shop by diagram

Chassis & Enclosures for Husqvarna

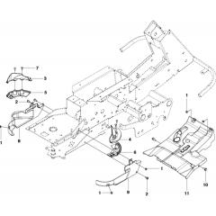
Chassis & Enclosures for R422 Ts

Chassis & Enclosures for R422 Ts

Chassis & Enclosures for R422 Ts

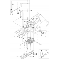
Transmission Assembly for Husqvarna

Chassis Rear Assembly

Transmission Assembly for Husqvarna

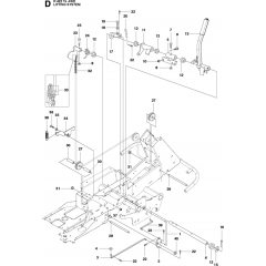
Mower Lift Assembly

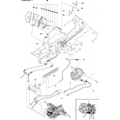
Hydraulic Pump Motor Assembly

Hydraulic Pump Motor Assembly

Height Adjustment Assembly

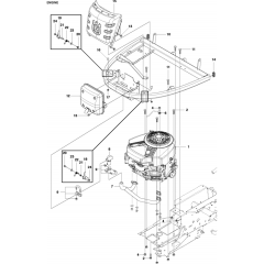
Engine Assembly for Husqvarna

Fuel System for Husqvarna R422 Ts

Electrical Assembly for Husqvarna

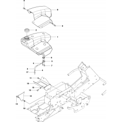
Seat Assembly for Husqvarna

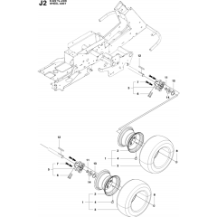
Wheels and Tyres for Husqvarna

Frame Assembly for R422 Ts AWD

Husqvarna R422 Ts AWD Decals

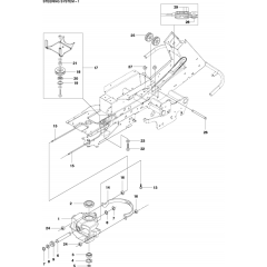
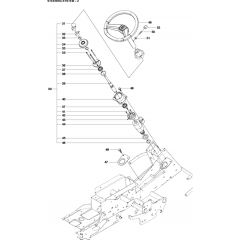
Steering Assembly for R422 Ts AWD

Steering Assembly for Husqvarna

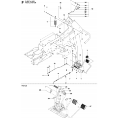
Pedals Assembly for Husqvarna

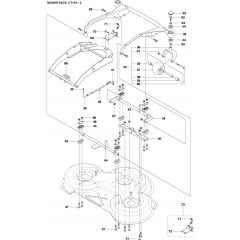
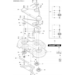
103cm Cutting Deck Assembly

48" Cutting Deck for Husqvarna

44" Cutting Deck Assembly

44" Cutting Deck for Husqvarna

48"/122cm Cutting Deck Assembly

48" Cutting Deck for Husqvarna

103cm Cutting Deck for Husqvarna

103cm Cutting Deck Assembly
All products
-
Tensioner for Husqvarna PR15, PR17 Riders - 506 99 30-01£59.94 £49.95