
Husqvarna RIDER 175 Mower Parts
Spares for Husqvarna RIDER 175 Mowers
Spares for Husqvarna RIDER 175 Mowers
Shop by diagram

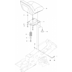
Seat Assembly for Husqvarna 175

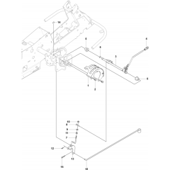
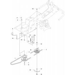
Fuel System for Husqvarna 175

Hood Assembly for Husqvarna 175

Cover Assembly for Rider 175

Cover-1 Assembly for Husqvarna

Height Adjustment Assembly

Liftt Deck Assembly

Chassis Lower Assembly

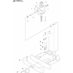
Transmission Assembly for Rider 175

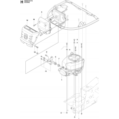
Engine Assembly for Husqvarna

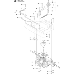
Transmission Assembly for Husqvarna

Transmission Assembly for Husqvarna

Transmission-2 Assembly

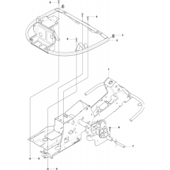
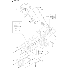
Steering Assembly for Husqvarna

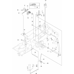
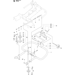
Controls Assembly for Husqvarna 175

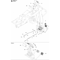
Pedals Assembly for Husqvarna 175

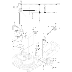
Electrical Assembly for Husqvarna 175

Wheels and Tyres for Husqvarna 175

Decal Assembly for Husqvarna 175

Frame Assembly for Husqvarna 175

Cutting Deck 103cm Assembly

Cutting Deck 112cm Assembly

Cutting Deck 103cm Assembly

Cutting Deck for Husqvarna 175

Cutting Deck 112cm-2 Assembly

Cutting Deck 112cm-3 Assembly
All products
-
Rod for Husqvarna RIDER 15 T Mower - 506 90 82-01£10.84 £9.03
-
Fuel Tank - Genuine Husqvarna Part - 535 50 13-01£91.34 £76.12