
Husqvarna RIDER 18 AWD Mower Parts
Spares for Husqvarna RIDER 18 AWD Mowers
Spares for Husqvarna RIDER 18 AWD Mowers
Shop by diagram

Seat Assembly for Husqvarna

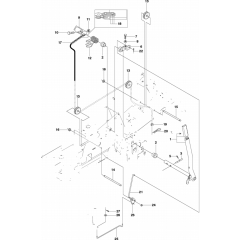
Fuel System for Husqvarna Rider 18

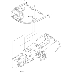
Cover Assembly for Husqvarna Rider

Cover-1 Assembly for Husqvarna

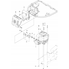
Cover-2 Assembly for Husqvarna

Height Adjustment Assembly

Deck Lift Assembly for Husqvarna

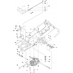
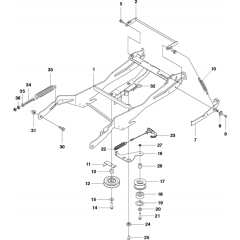
Chassis Frame Assembly

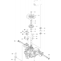
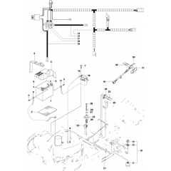
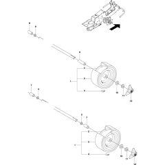
Transmission Assembly for Husqvarna

Engine Assembly for Husqvarna

Chassis Rear Assembly

Chassis Rear-1 Assembly

Transmission-2 Assembly

Engine-1 Assembly for Husqvarna

Engine-2 Assembly for Husqvarna

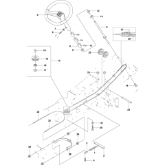
Steering Assembly for Husqvarna

Controls Assembly for Husqvarna

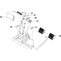
Pedals Assembly for Husqvarna

Pedals-1 Assembly for Husqvarna

Electrical Assembly for Husqvarna

Wheels and Tyres Assembly

Decals for Husqvarna Rider 18 AWD

Frame Assembly for Husqvarna

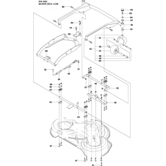
Cutting Deck Assembly for Husqvarna

Cutting Deck Assembly

Cutting Deck-2 Assembly

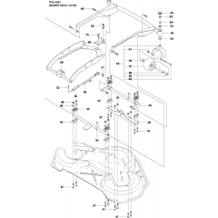
Cutting Deck Assembly

Cutting Deck-4 Assembly

Cutting Deck-5 Assembly
All products
-
Rod for Husqvarna RIDER 15 T Mower - 506 90 82-01£10.84 £9.03