
Stihl FC 70, 70 C Lawn Edger Parts
Spares for Stihl FC 70, 70 C Lawn Edger. Genuine and Non-Genuine Parts Available.
Spares for Stihl FC 70, 70 C Lawn Edger. Genuine and Non-Genuine Parts Available.
Shop by diagram

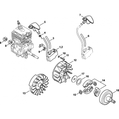
Crankcase, Cylinder Assembly

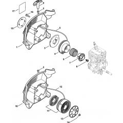
Rewind Starter for Stihl FC 70

Rewind Starter Assembly

Muffler Assembly for Stihl FC 70

Ignition & Clutch for Stihl FC 70

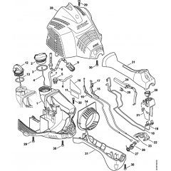
Motor Housing & Handle Assembly

Air Filter & Spacer Flange

Carburetor C1M-S267 Assembly

Carburetor Assembly for Stihl FC 70

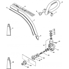
Drive Tube & Gear Head for Stihl

Deflector Assembly for Stihl FC 70

Tools & Extras for Stihl FC 70/70C
All products
-
Pawl for Stihl FC72, KR85 - 4133 195 7201£2.40 £2.00
-
Gasket for Stihl FS96, FR130T - 4114 149 1205£1.46 £1.22
-
Driver for Stihl MM55, MM55C - 4140 190 2010£10.90 £9.08
-
Set of Gaskets for Stihl FS40, FS40C - 4144 007 1012£13.42 £11.18
-
Loop Handle for Stihl FSA65, FSA85 - 4144 790 1201£19.80 £16.50