
Stihl FC 72 Lawn Edger Parts
Spares for Stihl FC 72 Lawn Edger. Genuine and Non-Genuine Parts Available.
Spares for Stihl FC 72 Lawn Edger. Genuine and Non-Genuine Parts Available.
Shop by diagram

Crankcase, Cylinder Assembly

Rewind Starter & Muffler for FC 72

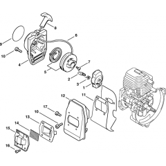
Ignition & Clutch for Stihl FC 72

Air Filter & Fuel Tank for Stihl

Air Filter & Fuel Tank Assembly

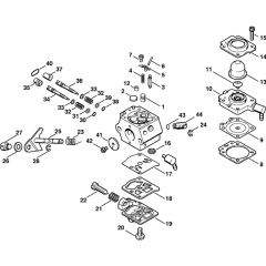
Carburetor WT-227 for Stihl FC 72

Carburetor WT-329 for Stihl FC 72

Handle Assembly for Stihl FC 72

Stihl FC 72 Assembly Parts

Deflector & Tools for Stihl FC 72
All products
-
Pawl for Stihl FC72, KR85 - 4133 195 7201£2.40 £2.00
-
Gasket for Stihl FS96, FR130T - 4114 149 1205£1.46 £1.22
-
Washer 6.4 for Stihl FS55, FS55C - 9291 021 0140£0.41 £0.34
-
Cap for Stihl HS72, HS74 - 4133 121 2700£5.62 £4.68
-
Rope for Stihl SH55, SH85 - 0000 350 0900£1.46 £1.22
-
Strainer for Stihl FS150, FS151 - 1114 121 7800£3.30 £2.75
-
Carrier for Stihl SP85, SP85K - 4133 190 2002£10.90 £9.08