
Stihl FS460C, FS460RC Clearing Saw Parts
Genuine and aftermarket spare parts and accessories for Stihl's popular FS460 Clearing Saw.
Huge selection of parts in stock available for next day delivery. Buy from an approved Stihl dealer.
Genuine and aftermarket spare parts and accessories for Stihl's popular FS460 Clearing Saw.
Huge selection of parts in stock available for next day delivery. Buy from an approved Stihl dealer.
Shop by diagram

Stihl FS460C & FS460RC Attachments

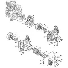
Gear Head Assembly for FS460C

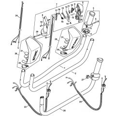
AV System for Stihl FS460C FS460RC

Bike Handle Assembly for Stihl

Carburettor Assembly for Stihl

Clutch & Housing for Stihl FS460C

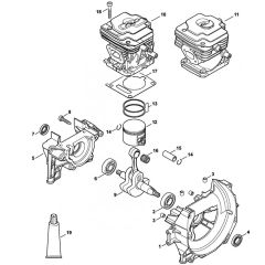
Crankcase & Cylinder Assembly

Deflector Assembly for Stihl

Drive Tube Assembly for Stihl

Forestry Harness ADVANCE X-TREEm

Fuel Tank Assembly for Stihl

Ignition System for Stihl FS460C

Loop Handle Assembly for Stihl

Muffler & Shroud for Stihl FS460C

Rewind Starter for Stihl FS460C

Spacer Flange & Air Filter

Tools & Harness for Stihl FS460C

Transport Guard for Stihl FS460C

Gear Head Assembly for Stihl
All products
-
Rider Plate for Stihl FS55, FS85 - 4126 713 3100£9.46 £7.88
-
E-Clip 4 for Stihl MS181, MS170 - 9460 624 0400£0.48 £0.40
-
Clutch Assy for Stihl FS360C, FS410C - 4147 160 2000£29.60 £24.67