
Stihl FS311 Clearing Saw Parts
Genuine Aftermarket Parts for Stihl FS311 Clearing Saw Spare Parts, Parts In Stock for Next Day Delivery.
Genuine Aftermarket Parts for Stihl FS311 Clearing Saw Spare Parts, Parts In Stock for Next Day Delivery.
Shop by diagram

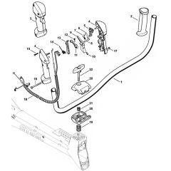
Bike Handle Assembly for FS311

Carburettor Assembly for FS311

Clutch & Fan Housing for FS311

Deflector Assembly for FS311

Drive Tube Assembly for FS311

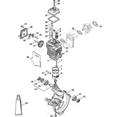
Engine Assembly for FS311

Gear Head Assembly for Stihl FS311

Ignition System for Stihl FS311

Muffler & Air Filter Assembly

Rewind Starter & Fuel Tank

Tools & Extras for Stihl FS311

Tools & Harness for Stihl FS311
All products
-
Gasket for Stihl FS96, FR130T - 4114 149 1205£1.46 £1.22
-
Cam Wheel for Stihl HT130, HT131 - 4180 030 1800£7.70 £6.42
-
Tank Vent for Stihl KM90, KM90R - 0000 350 5807£9.68 £8.07