
Stihl FS360, FS420, FS420L (older models) Clearing Saw Parts
Genuine Aftermarket Parts for Stihl FS360, FS420, FS FS420L Clearing Saw Spare Parts, Parts In Stock for Next Day Delivery.
Genuine Aftermarket Parts for Stihl FS360, FS420, FS FS420L Clearing Saw Spare Parts, Parts In Stock for Next Day Delivery.
Shop by diagram

Air Filter & Shroud Assembly

Carburettor HD-3B Assembly

Control Handle for Stihl FS360

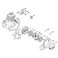
Crankcase & Cylinder Assembly

Deflector Assembly for Stihl

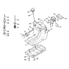
Drive Tube & Clutch Housing

Drive Tube & Clutch Housing

Gear Head Assembly for Stihl

Gear Head Assembly for Stihl

Handlebar & Control Handle

Handlebar & Control Handle

Ignition System for Stihl FS360

Rewind Starter & Muffler Assembly

Tank Housing Assembly for Stihl

Tools & Extras for Stihl FS360 FS420
All products
-
Piston Circlip for Stihl TS400 - 9463 650 1000£0.79 £0.66
-
Washer 6.4 for Stihl FS55, FS55C - 9291 021 0140£0.41 £0.34
-
Cap for Stihl FS360, FS420 - 0000 195 7001£1.68 £1.40