
Stihl MS150T C Chainsaw Parts
Genuine and aftermarket spare parts and accessories for Stihl's popular MS150T top-handled chain saw.
Huge selection of parts in stock available for next day delivery. Buy from an approved Stihl dealer.
Genuine and aftermarket spare parts and accessories for Stihl's popular MS150T top-handled chain saw.
Huge selection of parts in stock available for next day delivery. Buy from an approved Stihl dealer.
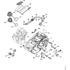
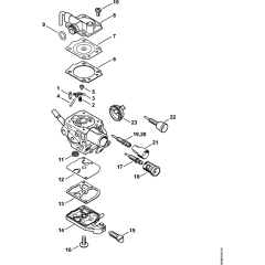
Shop by diagram
All products
-
E-Clip 4 for Stihl MS181, MS170 - 9460 624 0400£0.48 £0.40 -
14" (35cm) 72 Links - PM3 - 1/4" / 043" (1.1mm) Chain£24.30 £20.25 -
Insert for Stihl MS192T, MS192TC - 1129 640 5000£3.12 £2.60 -
Oil Filler Cap for Stihl MS201 - 0000 350 0536£9.14 £7.62 -
Annular buffer for Stihl MS150T - 1146 790 9900£7.16 £5.97 -
Filler Cap for Stihl MS201 - 0000 350 0534£10.56 £8.80 -
Scabbard 10" fits Stihl MS150T - 0000 792 9170£3.30 £2.75