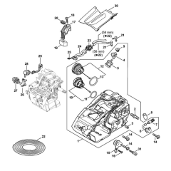
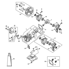
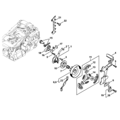
Stihl MS151C / MS151TC Chainsaw Parts
Genuine Spare Parts for Stihl MS151 C / MS151 TC Chainsaws.
Genuine Spare Parts for Stihl MS151 C / MS151 TC Chainsaws.
Shop by diagram
All products
-
E-Clip 4 for Stihl MS181, MS170 - 9460 624 0400£0.48 £0.40 -
Insert for Stihl MS192T, MS192TC - 1129 640 5000£3.12 £2.60 -
Oil Filler Cap for Stihl MS201 - 0000 350 0536£9.14 £7.62 -
Filler Cap for Stihl MS201 - 0000 350 0534£10.56 £8.80 -
Valve for Stihl MS260, MS200T - 1128 640 9100£4.40 £3.67 -
Gasket for Stihl FR350, FR450 - 1123 129 0905£2.40 £2.00 -
Thrust Pad for Stihl MS230, HT70 - 1123 664 1400£1.58 £1.32 -
Pawl for Stihl MS211, MS211C - 1139 195 7200£2.40 £2.00 -
E-Clip 3.2 for Stihl 041G, 056 - 9460 624 0320£0.48 £0.40