
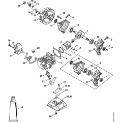
Stihl MS150C Chainsaw Parts
Genuine Spare Parts for Stihl MS150C Chainsaws. Buy Online from the UK's Leading Supplier of Stihl Spare Parts. Easy to use Part Diagrams to Help you Find the Part you Need.
Genuine Spare Parts for Stihl MS150C Chainsaws. Buy Online from the UK's Leading Supplier of Stihl Spare Parts. Easy to use Part Diagrams to Help you Find the Part you Need.
Shop by diagram
All products
-
E-Clip 4 for Stihl MS181, MS170 - 9460 624 0400£0.48 £0.40 -
14" (35cm) 72 Links - PM3 - 1/4" / 043" (1.1mm) Chain£24.30 £20.25 -
Insert for Stihl MS192T, MS192TC - 1129 640 5000£3.12 £2.60 -
Oil Filler Cap for Stihl MS201 - 0000 350 0536£9.14 £7.62 -
Filler Cap for Stihl MS201 - 0000 350 0534£10.56 £8.80 -
Valve for Stihl MS260, MS200T - 1128 640 9100£4.40 £3.67