
Wacker BH55 - 5100004026 (Petrol 27x80) Rev.103 Breakers
Spare Parts for Wacker BH55 - 5100004026 (Petrol 27x80) Rev.103 Breakers.
Spare Parts for Wacker BH55 - 5100004026 (Petrol 27x80) Rev.103 Breakers.
Shop by diagram

Hood Assembly for Wacker BH55

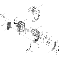
Tank Assembly for Wacker BH55

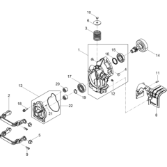
Crankcase Assembly for BH55

Striking Mechanism for Wacker BH55

Tool Holder Assembly for BH55

Engine Assembly for Wacker BH55

Gas Engine Assembly for BH55

Carburetor Assembly for Wacker BH55

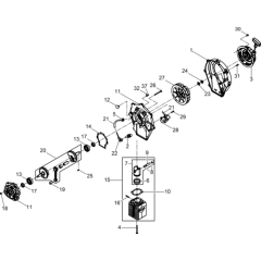
Starter Assembly for Wacker BH55

Labels for Wacker BH55

Cart Assembly for Wacker BH55

Cart Transportation Assembly
All products
-
Fan Wheel for Wacker BH55RW Breaker - OEM No. 5100042865£63.92 £53.27
-
Shift Lever for Wacker BH23, BH24 Breaker - 5000222523£26.82 £22.35