
Wacker BH55 - 5100004028 (Petrol 28x152) Rev.103 Breakers
Spare Parts for Wacker BH55 - 5100004028 (Petrol 28x152) Rev.103 Breakers.
Spare Parts for Wacker BH55 - 5100004028 (Petrol 28x152) Rev.103 Breakers.
Shop by diagram

Hood Assembly for Wacker BH55

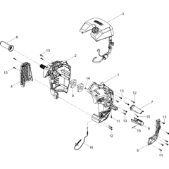
Tank Assembly for Wacker BH55

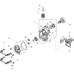
Crankcase Assembly for BH55

Tool Holder Assembly for BH55

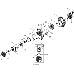
Engine Assembly for Wacker BH55

Gas Engine Assembly Wacker BH55

Carburetor Assembly for Wacker BH55

Starter Assembly for Wacker BH55

Labels for Wacker BH55

Cart Assembly for Wacker BH55

Cart Assembly for Wacker BH55
All products
-
Fan Wheel for Wacker BH55RW Breaker - OEM No. 5100042865£63.92 £53.27
-
Shift Lever for Wacker BH23, BH24 Breaker - 5000222523£26.82 £22.35