
Wacker BH55 - 5100004027 (Petrol 25x108) Rev.103 Breakers
Spare Parts for Wacker BH55 - 5100004027 (Petrol 25x108) Rev.103 Breakers.
Spare Parts for Wacker BH55 - 5100004027 (Petrol 25x108) Rev.103 Breakers.
Shop by diagram

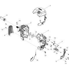
Hood Assembly for Wacker BH55

Tank Assembly for Wacker BH55

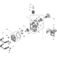
Crankcase Assembly for BH55

Tool Holder for Wacker BH55

Engine Assembly for Wacker BH55

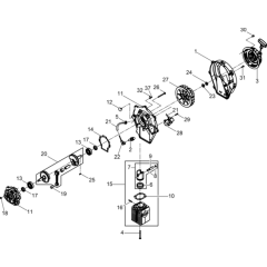
Gas Engine Assembly for BH55

Diaphragm Carburetor for Wacker BH55

Starter Assembly for Wacker BH55

Labels for Wacker BH55

Cart Transportation Assembly

Cart Assembly for Wacker BH55
All products
-
Fan Wheel for Wacker BH55RW Breaker - OEM No. 5100042865£63.92 £53.27
-
Shift Lever for Wacker BH23, BH24 Breaker - 5000222523£26.82 £22.35