
Yanmar 2TNE68 Engine Parts (Takeuchi TB007, TB108)
Yanmar 2TNE68 Engine Parts Fits Takeuchi TB007, TB108 Excavators. Genuine and Non Genuine Parts Available.
Yanmar 2TNE68 Engine Parts Fits Takeuchi TB007, TB108 Excavators. Genuine and Non Genuine Parts Available.
Shop by diagram

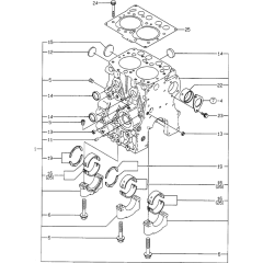
Cylinder Block Assembly

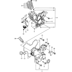
Gear Housing for Yanmar 2TNE68

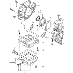
Flywheel Housing & Oil Sump

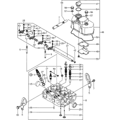
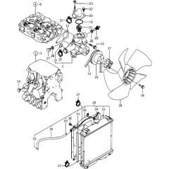
Cylinder Head & Bonnet Assembly

Suction Manifold & Air Cleaner

Exhaust Manifold & Silencer

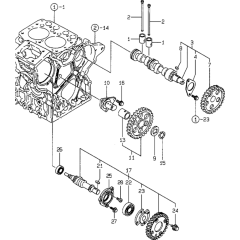
Camshaft & Gear Assembly

Crankshaft & Piston Assembly

Oil System for Yanmar 2TNE68

Cooling Water System Assembly

Fuel Injection Pump Assembly

Governor Assembly for Yanmar

Fuel Injection Valve Assembly

Fuel Filter Assembly

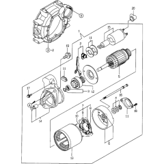
Starting Motor Assembly

Generator Assembly for Yanmar

Tool and Gasket Set
All products
-
Lock Nut M6 - Genuine Yanmar Part - 26756 060002£2.27 £1.89
-
Nut for Yanmar 3TNA72L Engine - 129150-35350£4.64 £3.87