
Yanmar 3TNE68 Engine Parts (Takeuchi TB014)
Yanmar 3TNE68 Engine Parts Fits Takeuchi TB014 Excavators. Genuine and Non Genuine Parts Available.
Yanmar 3TNE68 Engine Parts Fits Takeuchi TB014 Excavators. Genuine and Non Genuine Parts Available.
Shop by diagram

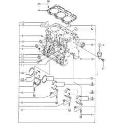
Cylinder Block Assembly

Gear Housing for Yanmar 3TNE68

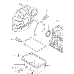
Flywheel Housing & Oil Sump

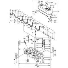
Cylinder Head & Bonnet Assembly

Suction Manifold & Air Cleaner

Exhaust Manifold & Silencer

Camshaft & Gear Assembly Yanmar

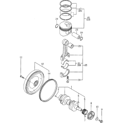
Crankshaft & Piston Assembly

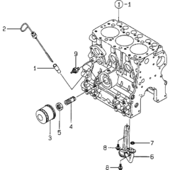
Oil System for Yanmar 3TNE68

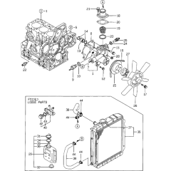
Cooling Water System Assembly

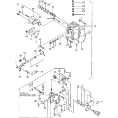
Fuel Injection Pump Assembly

Governor Assembly for Yanmar

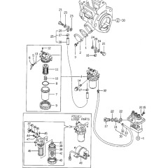
Fuel Injection Valve Assembly

Fuel Line Assembly for Yanmar

Starting Motor for Yanmar 3TNE68

Generator Assembly for Yanmar

Gasket Set & Tools for Yanmar
All products
-
Gasket for Yanmar 3TNA72L Engines - 104200-59170£3.19 £2.66
-
Lock Nut M6 - Genuine Yanmar Part - 26756 060002£2.27 £1.89
-
Gasket Cw Pump for Yanmar 3TNE68 Engine - 119266-42020£12.68 £10.57