
Yanmar 3TNE88 Engine Parts (Takeuchi TB135)
Yanmar 3TNE88 Engine Parts Fits Takeuchi TB135 Excavators. Genuine and Non Genuine Parts Available.
Yanmar 3TNE88 Engine Parts Fits Takeuchi TB135 Excavators. Genuine and Non Genuine Parts Available.
Shop by diagram

Cylinder Block Assembly

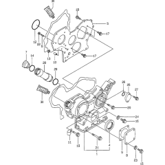
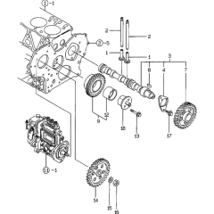
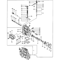
Gear Housing for Yanmar 3TNE88

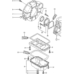
Flywheel Housing & Oil Sump

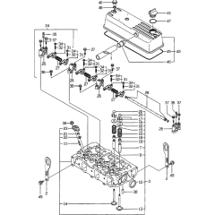
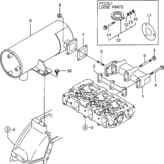
Cylinder Head & Bonnet Assembly

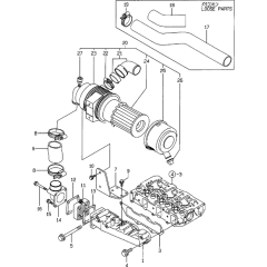
Suction Manifold & Air Cleaner

Exhaust Manifold & Silencer

Camshaft & Gear Assembly

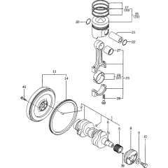
Crankshaft & Piston Assembly

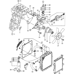
Oil System for Yanmar 3TNE88

Cooler Watering System

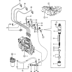
Fuel Injection Valve Assembly

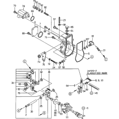
Governor Assembly for Yanmar

Fuel Injection Valve Assembly

Fuel Line Assembly for Yanmar

Starting Motor Assembly

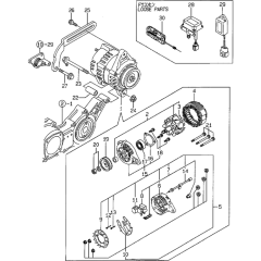
Generator Assembly for Yanmar

Gasket Set for Yanmar 3TNE88
All products
-
Lock Nut M6 - Genuine Yanmar Part - 26756 060002£2.27 £1.89
-
Gasket (NON-ASB) for Yanmar 3TNE88 Engine - 129001-01340£114.36 £95.30
-
Cup Strainer for Yanmar 3TNE88 Engine - 129100-55680£32.81 £27.34