
Yanmar 4TNE88 Engine Parts (Thwaites Mach 240 and 245)
Yanmar 4TNE88 Engine Parts Fits Thwaites Mach 240 and 245 Dumpers. Genuine and Non Genuine Parts Available.
Yanmar 4TNE88 Engine Parts Fits Thwaites Mach 240 and 245 Dumpers. Genuine and Non Genuine Parts Available.
Shop by diagram

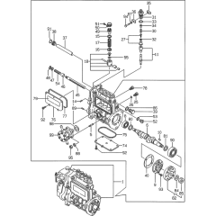
Cylinder Block Assembly

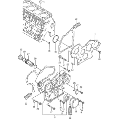
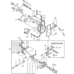
Gear Housing Assembly

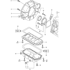
Flywheel & Oil Sump Assembly

Cylinder Head & Bonnet Assembly

Suction Manifold for Yanmar 4TNE88

Exhaust Manifold for Yanmar 4TNE88

Camshaft & Gear Assembly

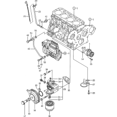
Crankshaft & Piston Assembly

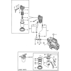
Oil System for Yanmar 4TNE88

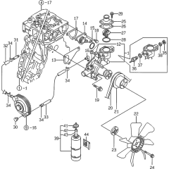
Cooling Water System Assembly

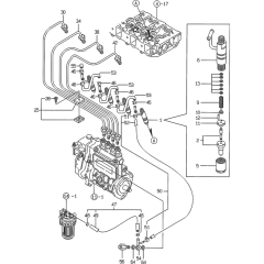
Fuel Injection Pump Assembly

Governor Assembly for Yanmar

Fuel Injection Valve Assembly

Fuel Line Assembly for Yanmar

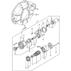
Starting Motor Assembly

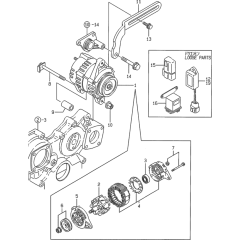
Generator Assembly for Yanmar

Gasket Set for Yanmar 4TNE88
All products
-
Lock Nut M6 - Genuine Yanmar Part - 26756 060002£2.27 £1.89
-
Cup Strainer for Yanmar 3TNE88 Engine - 129100-55680£32.81 £27.34
-
Circlip for Yanmar 3TNE88 Engine - 22252-000260£2.10 £1.75
-
O-Ring for Yanmar 3TNA72L Engine - 24311-000120£2.81 £2.34