
Husqvarna FS305 Floor Saw Parts
Spares for Husqvarna FS305 Floor Saws. Genuine and Non-Genuine Parts Available.
Spares for Husqvarna FS305 Floor Saws. Genuine and Non-Genuine Parts Available.
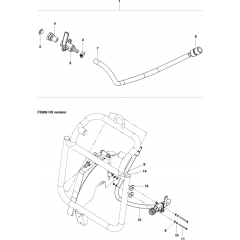
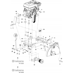
Shop by diagram
All products
-
Spanner fits Husqvarna FS400 Floor Saw - 543 04 59-04£32.72 £27.27 -
Belt for Husqvarna FS305 Floor Saws - 543 85 03-68£26.50 £22.08 -
Water Side fits Husqvarna FS400 Floor Saw - 542 20 23-15£80.80 £67.33 -
Carriage - Genuine Husqvarna Part - 504 01 34-01£186.60 £155.50