
Husqvarna FS513/FS520/FS524 Floor Saw Parts
Spares for Husqvarna FS513/FS520/FS524 Floor Saws. Genuine and Non-Genuine Parts Available.
Spares for Husqvarna FS513/FS520/FS524 Floor Saws. Genuine and Non-Genuine Parts Available.
Shop by diagram

Battery & Covers Assembly

Bladeshaft Assembly for Husqvarna

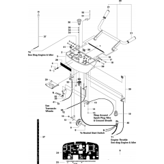
Control Console Assembly

Control Console-2 Assembly

Cover Assembly for Husqvarna

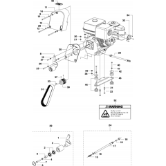
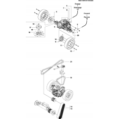
Engine & Idler Assembly

Engine & Idler-2 Assembly

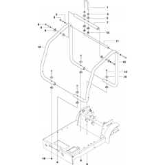
Engine Cage Assembly

Frame Assembly for Husqvarna FS Saws

Fuel Tank Assembly for Husqvarna

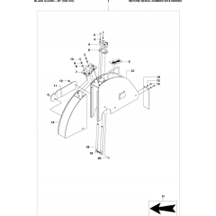
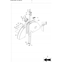
Blade Guard for Husqvarna FS Saws

Blade Guard Assembly

Blade Guard Assembly

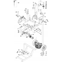
Lower Framing Assembly

Pointer Dual Assembly

Pointer Assembly for Husqvarna

Dual Pointer Assembly

Power Attachment for Husqvarna

Height Adjustment Assembly

Toolbox Assembly for Husqvarna

Toolbox-2 Assembly for Husqvarna

Transaxle Wheels Assembly

Water System Assembly

Water Tank & Nose Piece Assembly

Water Tank & Nose Piece Assembly
All products
-
Water Side fits Husqvarna FS400 Floor Saw - 542 20 23-15£80.80 £67.33