
Husqvarna FS410 D Floor Saw Parts
Spares for Husqvarna FS410 D Floor Saws. Genuine and Non-Genuine Parts Available.
Spares for Husqvarna FS410 D Floor Saws. Genuine and Non-Genuine Parts Available.
Shop by diagram

Bladeshaft Assembly for FS410 D

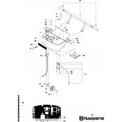
Control Console for FS410 D

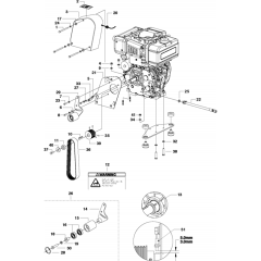
Engine & Idler Assembly

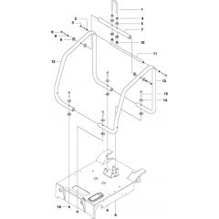
Engine Cage Assembly for FS410 D

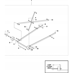
Frame Assembly for FS410 D

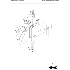
Blade Guard 20" Assembly

Lowering Frame for FS410 D

Pointer Dual Assembly

Pointer Assembly for FS410 D

Dual Pointer Assembly

Pointer Attachment for FS410 D

Blade Guard for FS410 D

Screw Feed Assembly for FS410 D

Toolbox Assembly for FS410 D

Water System Assembly for FS410 D

Water Tank & Nose Piece Assembly
All products
-
18"/450mm Vari-Cut S65 Husqvarna Diamond Blade - 534 97 70 50£202.32 £168.60
-
Water Side fits Husqvarna FS400 Floor Saw - 542 20 23-15£80.80 £67.33