
Husqvarna FS413 Floor Saw Parts
Spares for Husqvarna FS413 Floor Saws. Genuine and Non-Genuine Parts Available.
Spares for Husqvarna FS413 Floor Saws. Genuine and Non-Genuine Parts Available.
Shop by diagram

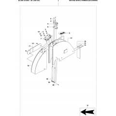
Bladeshaft Assembly for FS413

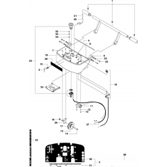
Control Console Assembly

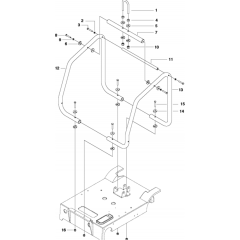
Engine & Idler Assembly

Engine Cage Assembly

Frame Assembly for FS413

Blade Guard for FS413 Saw

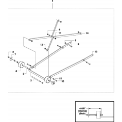
Lower Framing Assembly

Dual Assembly for FS413

Pointer Assembly for FS413

Blade Guard for FS413 Floor Saw

Dual Pointer Assembly

Pointer Attachment for FS413

Screw Feed Assembly for FS413

Toolbox Assembly for FS413

Water System Assembly FS413

Water Tank & Nose Piece Assembly
All products
-
18"/450mm Vari-Cut S65 Husqvarna Diamond Blade - 534 97 70 50£202.32 £168.60
-
Water Side fits Husqvarna FS400 Floor Saw - 542 20 23-15£80.80 £67.33