
Husqvarna FS4800 Floor Saw Parts
Spares for Husqvarna FS4800 Floor Saws. Genuine and Non-Genuine Parts Available.
Spares for Husqvarna FS4800 Floor Saws. Genuine and Non-Genuine Parts Available.
Shop by diagram

Frame & Panels for FS4800

Upper Frame Assembly

Upper Frame-2 Assembly

Lower Frame Assembly

Lower Frame-2 Assembly

Cowling Assembly for FS4800

Instrument Panel Assembly

Instrument Panel Assembly

Cowling Side L.H Assembly

Cowling Side R.H. Assembly

Depth Indicator for FS4800

Speed Control Assembly

Top Cover Assembly for FS4800

Air Filter Assembly for FS4800

Radiator Assembly for FS4800

Lift Bail Assembly for FS4800

Rear Axle & Front Pivot Assembly

Rear Axle & Front Pivot Assembly

Rear Axle & Pivot Assembly

Front Axle & Pivot Assembly

Hydraulic Lift Cylinder

Axle & Pivot Assembly FS4800

Hydraulic Lift Cylinder

Engine & Gearbox Assembly

Engine Gearbox with Clutch

Gearbox & Belt Guard Assembly

Gearbox & Belt Guard Assembly

Engine-Gearbox Mounting & Muffler

Hose & Pump Assembly FS4800

Fuel Tank Assembly for FS4800

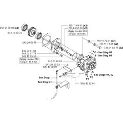
Gearbox-Blade Shaft Assembly

Gearbox-Blade Shaft Assembly

Blade Arm Assembly for FS4800

Lift Pump & Filter Assembly

Hydraulic Drive Pump Assembly

Valve Assembly for FS4800

Lock Valve & Pivot for FS4800

Lift Pump Assembly FS4800

Blade Guard Slip-On Assembly

Blade Guard Assembly

Blade Guard Assembly

Blade Guard Assembly

Water Pump Kit for FS4800

Dual Work Light Kit for FS4800

Parking Brake Assembly
All products
-
Front Axle For Husqvarna FS4800 Floor Saw - OEM No. 541 20 84-85£542.40 £452.00
-
Air Element - Genuine Husqvarna Part - 542 16 64-53£52.06 £43.38