
Husqvarna R213 C Rider Parts
Spares for Husqvarna R213 C Riders
Spares for Husqvarna R213 C Riders
Shop by diagram

Chassis/Frame for Husqvarna R213 C

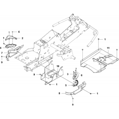
Chassis Rear Assembly Husqvarna

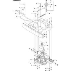
Chassis Rear Assembly

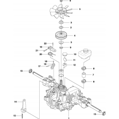
Transmission Assembly for R213 C

Transmission Assembly for R213 C

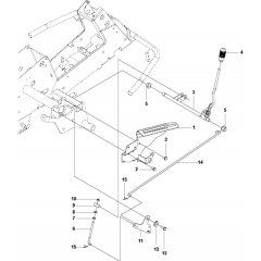
Steering Assembly for R213 C

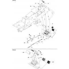
Pedals Assembly for R213 C

Mower Lift Assembly

Height Adjustment Assembly

Controls Assembly for Husqvarna R213 C

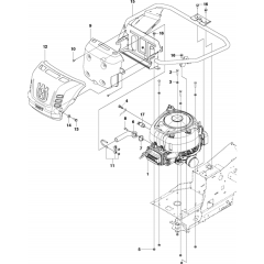
Engine Assembly for R213 C

Fuel System for Husqvarna R213 C

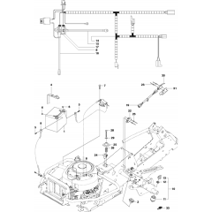
Electrical Assembly for R213 C

Cover Assembly for R213 C Riders

Cover Assembly for R213 C Riders

Cover Assembly for R213 C Riders

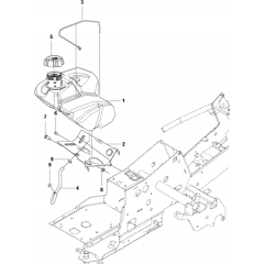
Seat Assembly for R213 C

Wheels and Tyres Assembly

Husqvarna R213 C Attachments

Decals for Husqvarna R213 C

94cm Cutting Deck for R213 C

94cm Cutting Deck for Husqvarna R213 C
All products
-
Rod for Husqvarna RIDER 15 T Mower - 506 90 82-01£10.84 £9.03