
Husqvarna R214 T AWD Rider Parts
Spares for Husqvarna R214 T AWD Riders
Spares for Husqvarna R214 T AWD Riders
Shop by diagram

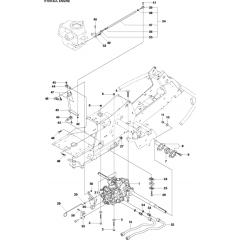
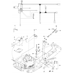
Chassis/Frame for Husqvarna R214 T

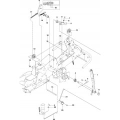
Chassis Rear Assembly

Chassis Rear Assembly

Chassis Rear Assembly

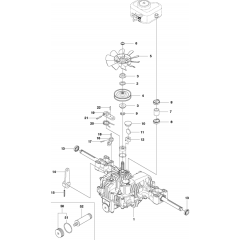
Hydraulic Pump Motor Assembly

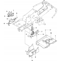
Transmission Assembly for R214 T

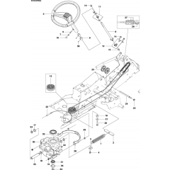
Steering Assembly for R214 T AWD

Transmission Assembly for R214 T AWD

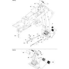
Pedals Assembly for Husqvarna R214

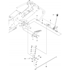
Mower Lift Assembly for R214 T AWD

Height Adjustment Assembly

Mower Lift Assembly

Height Adjustment Assembly

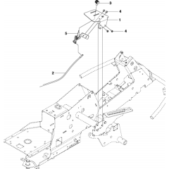
Controls Assembly for Husqvarna R214

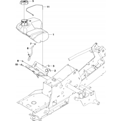
Fuel System for Husqvarna R214 T

Electrical Assembly for R214 T AWD

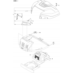
Cover Assembly for Husqvarna R214

Cover Assembly-2 for Husqvarna R214

Cover Assembly for R214 T AWD

Engine Assembly for Husqvarna R214

Seat Assembly for Husqvarna R214

Wheels and Tyres for Husqvarna R214 T

Husqvarna R214 T AWD Attachments

Decals for Husqvarna R214 T AWD

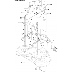
94cm Cutting Deck Assembly

94cm Cutting Deck for Husqvarna

103cm Cutting Deck Assembly

103cm Cutting Deck for Husqvarna
All products
-
Rod for Husqvarna RIDER 15 T Mower - 506 90 82-01£10.84 £9.03
-
Husqvarna Service Kit R214, R214c Rider Mowers£79.36 £66.13