
Husqvarna R214 T Rider Parts
Spares for Husqvarna R214 T Riders
Spares for Husqvarna R214 T Riders
Shop by diagram

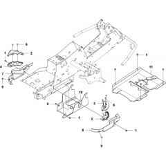
Chassis/Frame for Husqvarna R214 T

Chassis Rear Assembly

Chassis Rear Assembly

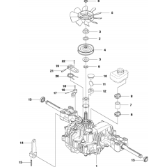
Transmission Assembly for R214 T

Transmission Assembly for R214 T

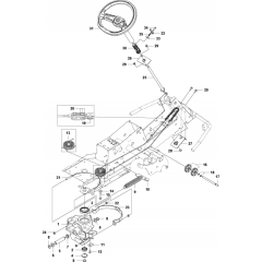
Steering Assembly for R214 T

Pedals Assembly for R214 T

Mower Lift/Deck Assembly

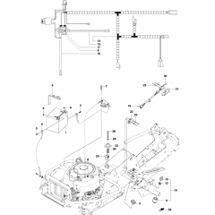
Engine Assembly for R214 T

Fuel System for Husqvarna R214 T

Electrical Assembly for R214 T

Cover Assembly for R214 T

Cover Assembly-2 for R214 T

Cover Assembly for R214 T Riders

Seat Assembly for R214 T Riders

Wheels and Tyres for Husqvarna R214 T

Husqvarna R214 T Attachments

Decals for Husqvarna R214 T
All products
-
Husqvarna Service Kit R214, R214c Rider Mowers£79.36 £66.13