
Husqvarna R214 TC Rider Parts
Spares for Husqvarna R214 TC Riders
Spares for Husqvarna R214 TC Riders
Shop by diagram

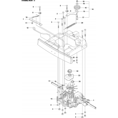
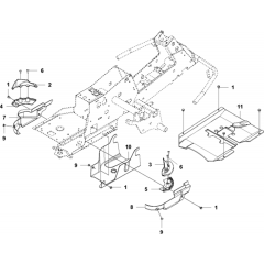
Chassis/Frame for R214 TC

Chassis Rear Assembly

Chassis Rear Assembly

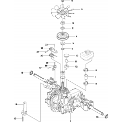
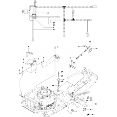
Transmission Assembly for R214 TC

Transmission Assembly for R214 TC

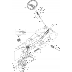
Steering Assembly for R214 TC

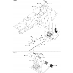
Pedals Assembly for Husqvarna

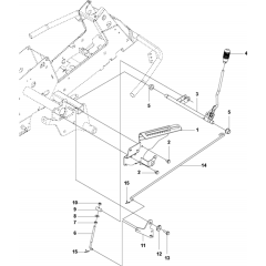
Mower Lift Assembly

Height Adjustment Assembly

Controls Assembly for R214 TC

Engine Assembly for Husqvarna R214

Fuel System for Husqvarna R214 TC

Electrical Assembly for R214 TC

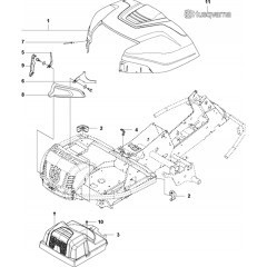
Cover Assembly-1 for R214 TC

Cover Assembly for R214 TC Riders

Cover Assembly for R214 TC

Seat Assembly for R214 TC

Wheels and Tyres Assembly

Husqvarna R214 TC Attachments

Decals for Husqvarna R214 TC

94cm Cutting Deck for Husqvarna R214

94cm Cutting Deck Assembly
All products
-
Rod for Husqvarna RIDER 15 T Mower - 506 90 82-01£10.84 £9.03
-
Husqvarna Service Kit R214, R214c Rider Mowers£79.36 £66.13