
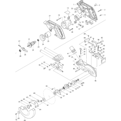
Makita BLS713 Mitre Saw Parts
Spares for Makita BLS713 Mitre Saws. Genuine and Non Genuine Makita Parts Available.
Spares for Makita BLS713 Mitre Saws. Genuine and Non Genuine Makita Parts Available.
Shop by diagram
All products
-
Makita Socket Flat Grub Screw M6x10 - 251961-9£0.48 £0.40