
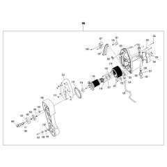
Makita MLS100 Mitre Saw Parts
Spares for Makita MLS100 Mitre Saws. Genuine and Non Genuine Makita Parts Available.
Spares for Makita MLS100 Mitre Saws. Genuine and Non Genuine Makita Parts Available.
Shop by diagram
All products
-
Makita Anti-Loose Nut M6 MLS100 - JM23000080£0.95 £0.79 -
Knob for Makita MLS100 Mitre Saw - JM23000143£3.01 £2.51 -
Flange for Makita MLS100 Mitre Saws - JM23000065£3.01 £2.51 -
Makita Flat Washer MLS100 - JM23000013£0.62 £0.52 -
E Ring for Makita MLS100 Floor Saw - JM23000076£0.64 £0.53 -
Makita Ball Bearing 6304-Rz MLS100 - JM23000086£3.12 £2.60 -
Blade for Makita MLS100 Mitre Saw - OEM No. B-10338£33.08 £27.57 -
Makita Rivet MLS100 - JM23000008£0.48 £0.40 -
Makita Rivet MLS100 - JM23000034£0.48 £0.40 -
Makita Label/Caution LS800dbLS820 - 810965-6£0.48 £0.40