
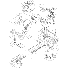
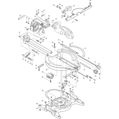
Makita LS1013L Mitre Saw Parts
Spares for Makita LS1013L Mitre Saws. Genuine and Non Genuine Makita Parts Available.
Spares for Makita LS1013L Mitre Saws. Genuine and Non Genuine Makita Parts Available.
Shop by diagram
All products
-
Makita Socket Flat Grub Screw M6x10 - 251961-9£0.48 £0.40