
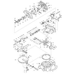
Makita LS800D Mitre Saw Parts
Spares for Makita LS800D Mitre Saws. Genuine and Non Genuine Makita Parts Available.
Spares for Makita LS800D Mitre Saws. Genuine and Non Genuine Makita Parts Available.
Shop by diagram
All products
-
Makita Pan HD Screw M5x20 W/Cp Washer - 911233-1£0.48 £0.40 -
Makita Socket Flat Grub Screw M6x10 - 251961-9£0.48 £0.40 -
Makita Pin 5 LS800dwb/6906/BLS820 - 256040-8£0.48 £0.40 -
Makita Compression Spring 7 - 231402-1£0.62 £0.52 -
Makita Lock Off Lever LS800d/BLS820 - 416533-9£1.56 £1.30