
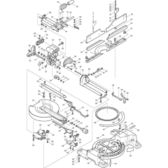
Makita LS1016L Mitre Saw Parts
Spares for Makita LS1016L Mitre Saws. Genuine and Non Genuine Makita Parts Available.
Spares for Makita LS1016L Mitre Saws. Genuine and Non Genuine Makita Parts Available.
Shop by diagram
All products
-
Makita Label/Caution LS1013bLS120 - 817283-3£0.79 £0.66