
Stihl 064 Chainsaw Parts
Genuine Spare Parts for Stihl 064 Chainsaws, Including Easy to use Assembly Line Diagrams. Buy Online from the UK's Leading Supplier of Stihl Spare Parts.
Genuine Spare Parts for Stihl 064 Chainsaws, Including Easy to use Assembly Line Diagrams. Buy Online from the UK's Leading Supplier of Stihl Spare Parts.
Shop by diagram

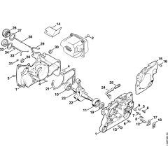
Crankcase Assembly for Stihl 064

Cylinder Assembly for Stihl 064

Muffler Assembly for Stihl 064

Oil Pump & Clutch for Stihl 064

AV System for Stihl 064

Chain Sprocket Cover

Ignition System for Stihl 064

Rewind Starter for Stihl 064

Tank Housing for Stihl 064

Handlebar Assembly for Stihl 064

Handlebar Heating Assembly

Carburetor WJ-65 Assembly

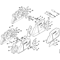
Shroud & Air Filter for Stihl 064

Shroud & Air Filter for Stihl 064
All products
-
Bumper Strip for Stihl 084, 044 - 1121 648 6610£2.05 £1.71
-
E-Clip 4 for Stihl MS181, MS170 - 9460 624 0400£0.48 £0.40
-
Exhaust Gasket for Stihl TS400 - 1125 149 0601£3.12 £2.60
-
Sealing Ring for Stihl 028, 038 - 0000 359 1220£1.68 £1.40