
Stihl 015 Chainsaw Parts
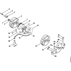
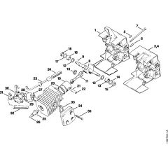
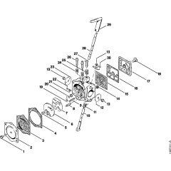
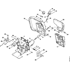
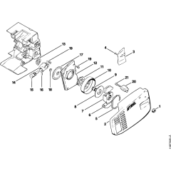
Stihl 015 Petrol Chainsaw Parts, with easy to use line diagrams for each assembly on the machine. Selling a range of quality spare parts from the obscure ones like the inlet needle to the popular spark plug.
Stihl 015 Petrol Chainsaw Parts, with easy to use line diagrams for each assembly on the machine. Selling a range of quality spare parts from the obscure ones like the inlet needle to the popular spark plug.
Shop by diagram
All products
-
12" Stihl Chain 44 Links 3/8" Picco 1.1mm£15.48 £12.90 As low as £10.97 -
14" Stihl Chain 50 Links 3/8" Picco 1.1mm£15.30 £12.75 As low as £10.84 -
E-Clip 4 for Stihl MS181, MS170 - 9460 624 0400£0.34 £0.28 -
14" (35cm) 50 Links - PS3 - 3/8"LP / 050" (1.3mm) Chain£21.16 £17.63 -
Valve for Stihl MS200T, MS200 - 1110 353 1600£4.96 £4.13 -
Strainer for Stihl FS150, FS151 - 1114 121 7800£3.30 £2.75 -
Rivet 6mm for Stihl TS360 - 0000 974 1000£1.48 £1.23 -
16" (40cm) 55 Links - PD3 - 3/8"LP / 050" (1.3mm) Chain£66.12 £55.10