
Stihl BT 120 C Earth Auger Parts
Stihl BT 120 C Earth Auger Parts. Genuine and Non Genuine Parts Available.
Stihl BT 120 C Earth Auger Parts. Genuine and Non Genuine Parts Available.
Shop by diagram

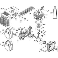
Crankcase, Cylinder Assembly

Rewind Starter for Stihl BT120C

Fuel Tank Clutch Assembly

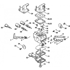
Carburettor & Air Filter for BT120C

Carburetor Assembly for Stihl

Carburetor Assembly for Stihl BT120C

Clutch Housing Brake Assembly

Gear Head Assembly for Stihl BT120C

Handlebar Assembly for Stihl BT120C

Handlebar Assembly for Stihl BT120C

Earth Auger Assembly for Stihl

Augers & Tools for Stihl BT120C
All products
-
Piston Circlip for Stihl TS400 - 9463 650 1000£0.79 £0.66
-
Grommet for Stihl HT250, KR85 - 0000 989 0516£1.70 £1.42
-
E-Clip 4 for Stihl MS181, MS170 - 9460 624 0400£0.48 £0.40
-
Gasket for Stihl FR350, FR450 - 1123 129 0905£2.40 £2.00