
Yanmar L100AE Engine Parts
Wide range of Spare Parts for Yanmar L100AE Engines available in stock for next day delivery. Genuine and Non Genuine Yanmar Parts available and can be identified through Yanmar L100AE Parts Diagrams for a full breakdown of Yanmar Spares.
Wide range of Spare Parts for Yanmar L100AE Engines available in stock for next day delivery. Genuine and Non Genuine Yanmar Parts available and can be identified through Yanmar L100AE Parts Diagrams for a full breakdown of Yanmar Spares.
Shop by diagram

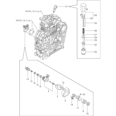
Cylinder Block for Yanmar L100AE

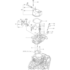
Cylinder Head & Bonnet Assembly

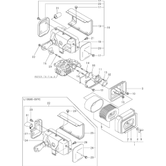
Air Cleaner & Muffler Assembly

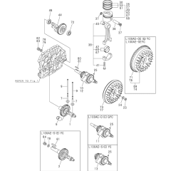
Crankshaft & Piston Assembly

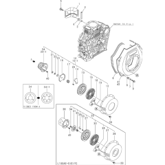
Oil Pump & Governor Assembly

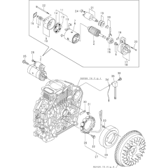
Cooling & Starting Device Assembly

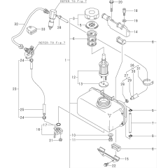
Fuel Injection Pump Assembly

Fuel Tank & Pipe Assembly

Starting Motor for Yanmar L100AE

Tool, Label & Gasket Set
All products
-
Fuel Filter, Cartridge Type fits Yanmar L90 L100£6.60 £5.50
-
Fuel Injection Pump for Yanmar L90 L100AE£40.80 £34.00
-
Feather Key Fits Yanmar L100AE - 22512 050140£3.50 £2.92
-
Rocker Cover Gasket for Yanmar L90 & L100£1.80 £1.50
-
Valve Cap for Yanmar L100AE Engines - 104211 11370£12.10 £10.08
-
Genuine Big End Bearing for Yanmar L75 L90 L100£24.14 £20.12
-
Gasket Set fits Yanmar L90AE & L100AE Engines£21.90 £18.25
-
Throttle Lever Assy Fits Yanmar L48AE - 114254 66200£69.40 £57.83