
Yanmar L40AE Engine Parts
Genuine and aftermarket spares for Yanmar's L40AE series diesel engines.
These older engines are now replaced by the L48N series. Huge selection of parts in stock available for next day delivery. Buy from a genuine Yanmar parts dealer.
Genuine and aftermarket spares for Yanmar's L40AE series diesel engines.
These older engines are now replaced by the L48N series. Huge selection of parts in stock available for next day delivery. Buy from a genuine Yanmar parts dealer.
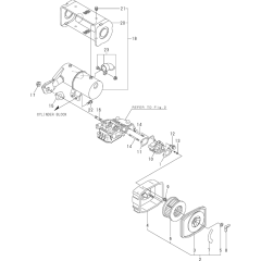
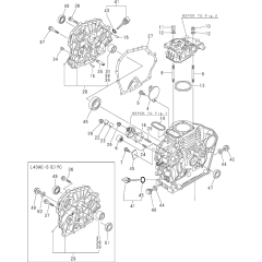
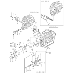
Shop by diagram
All products
-
Filter Service Kit for Yanmar L40 L48 Engines£16.20 £13.50 -
Fuel Tap for Yanmar L40 L48 L60 L70 L75 L90 L100£8.22 £6.85 -
3 Amp Regulator for Yanmar Diesel Engines£42.85 £35.71 -
Throttle Lever Assembly for Yanmar Diesel Engines£11.94 £9.95 -
Wiring Harness & Switch Assy for Yanmar L-Series Engines£17.40 £14.50 -
Air Filter Assembly for Yanmar L40 L48 L60 L70£16.32 £13.60 -
Replacement for Yanmar L48 AES Engine - Fits Belle Premier XT£714.00 £595.00 -
Fuel Tank Drain Plug for Yanmar Diesel Engines£1.88 £1.57 -
Rocker Cover Gasket for Yanmar L40 L48 L60 L70£1.21 £1.01