
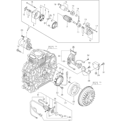
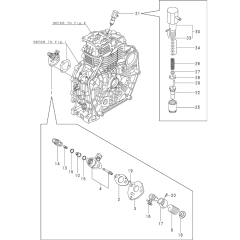
Yanmar L60AE Engine Parts
Genuine and aftermarket spares for Yanmar's L60AE series diesel engines.
These older engines are now replaced by the L70N series. Huge selection in stock available for next day delivery. Buy from a genuine Yanmar parts dealer.
Genuine and aftermarket spares for Yanmar's L60AE series diesel engines.
These older engines are now replaced by the L70N series. Huge selection in stock available for next day delivery. Buy from a genuine Yanmar parts dealer.
Shop by diagram
All products
-
Fuel Tap for Yanmar L40 L48 L60 L70 L75 L90 L100£8.22 £6.85 -
3 Amp Regulator for Yanmar Diesel Engines£42.85 £35.71 -
Throttle Lever Assembly for Yanmar Diesel Engines£11.94 £9.95 -
Recoil Assembly (Clockwise) for Yanmar L60 L70£21.60 £18.00 -
Wiring Harness & Switch Assy for Yanmar L-Series Engines£17.40 £14.50 -
Air Filter Assembly for Yanmar L40 L48 L60 L70£16.32 £13.60 -
Dipstick for Yanmar L60 L70 L75 L90 L100£1.21 £1.01 -
Fuel Tank Drain Plug for Yanmar Diesel Engines£1.88 £1.57 -
Stator Assembly fits Yanmar L100N, L90AW Engines - 114399-78730£270.16 £225.13 -
Rocker Cover Gasket for Yanmar L40 L48 L60 L70£1.21 £1.01