
Husqvarna R316 T Rider Parts
Spares for Husqvarna R316 T Riders
Spares for Husqvarna R316 T Riders
Shop by diagram

Cover Assembly for R316 T

Fuel System for Husqvarna R316 T

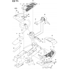
Seat Assembly for R316 T Riders

Cover Assembly for R316 T Riders

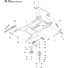
Chassis Rear Assembly

Cover Assembly for R316 T Riders

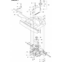
Chassis/Frame for Husqvarna R316 T

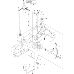
Steering Assembly for R316 T

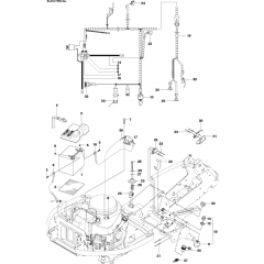
Transmission Assembly for R316 T

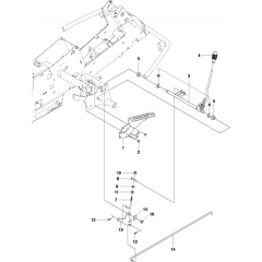
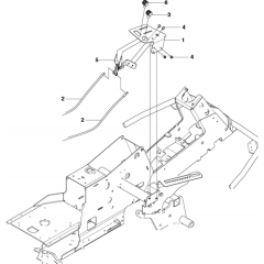
Mower Lift Assembly

Height Adjustment Assembly

Transmission Assembly for R316 T

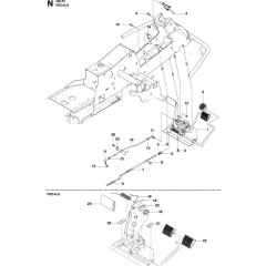
Controls Assembly for R316 T

Pedals Assembly for Husqvarna

Electrical Assembly for R316 T

Wheels and Tyres Assembly

Decals for Husqvarna R316 T

Frame Assembly for R316 T

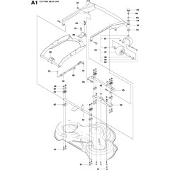
94cm Cutting Deck for Husqvarna

94cm Cutting Deck for Husqvarna

103cm Cutting Deck Assembly

103cm Cutting Deck Assembly

44" Cutting Deck Assembly

44" Cutting Deck Assembly

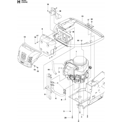
Engine Assembly for R316 T
All products
-
Rod for Husqvarna RIDER 15 T Mower - 506 90 82-01£10.84 £9.03