
Husqvarna R320 X AWD Rider Parts
Spares for Husqvarna R320 X AWD Riders
Spares for Husqvarna R320 X AWD Riders
Shop by diagram

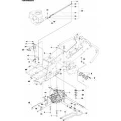
Chassis/Frame for Husqvarna R320 X

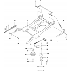
Chassis Rear Assembly

Chassis Rear Assembly

Chassis Rear Assembly

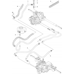
Transmission Assembly for R320 X AWD

Transmission Assembly for R320 X AWD

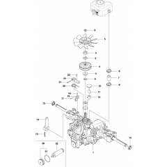
Transmission Assembly for R320 X

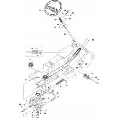
Steering Assembly for R320 X AWD

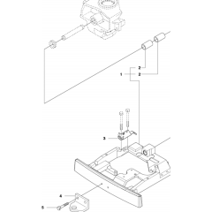
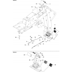
Pedals Assembly for R320 X AWD

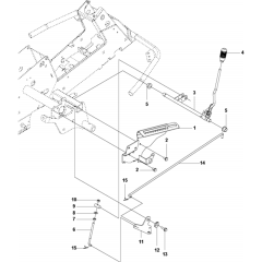
Mower Lift Assembly

Height Adjustment Assembly

Controls Assembly for R320 X AWD

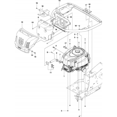
Engine Assembly for R320 X AWD

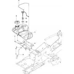
Fuel System for Husqvarna R320 X AWD

Electrical Assembly for R320 X AWD

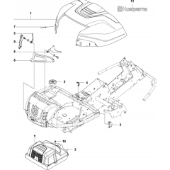
Cover Assembly for Husqvarna

Cover Assembly-2 for R320 X AWD

Cover Assembly for Husqvarna R320

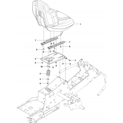
Seat Assembly for Husqvarna R320

Wheels and Tyres Assembly

Husqvarna R320 X AWD Attachments

Husqvarna R320 X Decals
All products
-
Rod for Husqvarna RIDER 15 T Mower - 506 90 82-01£10.84 £9.03