
Husqvarna R316 TXs AWD Rider Parts
Spares for Husqvarna R316 TXs AWD Riders
Spares for Husqvarna R316 TXs AWD Riders
Shop by diagram

Cover Assembly for Husqvarna

Fuel System Assembly for Husqvarna

Seat Assembly for Husqvarna R316

Cover Assembly for Husqvarna R316

Cover Assembly for Husqvarna R316

Chassis & Enclosures for R316 TXs

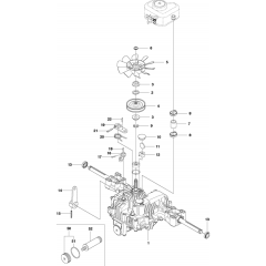
Transmission Assembly for Husqvarna

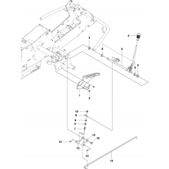
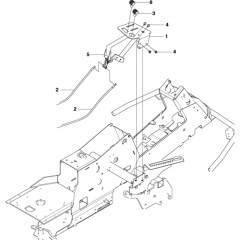
Mower Lift Assembly

Height Adjustment Assembly

Transmission Assembly for R316 TXs

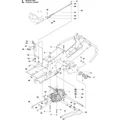
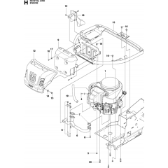
Hydraul Engine Assembly

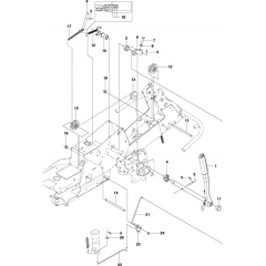
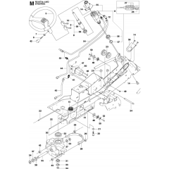
Steering Assembly for Husqvarna

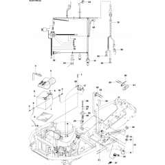
Controls Assembly for Husqvarna

Electrical Assembly for Husqvarna

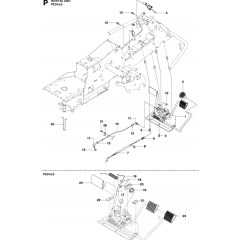
Pedals Assembly for Husqvarna R316

Wheels and Tyres Assembly

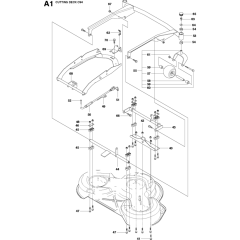
94cm Cutting Deck for Husqvarna

Decals for Husqvarna R316 TXs

94cm Cutting Deck for Husqvarna

Frame Assembly for Husqvarna R316

103cm Cutting Deck for Husqvarna

103cm Cutting Deck Assembly

44" Cutting Deck for Husqvarna

44" Cutting Deck Assembly

Engine Assembly for Husqvarna
All products
-
Rod for Husqvarna RIDER 15 T Mower - 506 90 82-01£10.84 £9.03