
Husqvarna RC 320Ts AWD Rider Parts
Spares for Husqvarna RC 320Ts AWD Riders
Spares for Husqvarna RC 320Ts AWD Riders
Shop by diagram

Seat Assembly for Husqvarna RC 320Ts

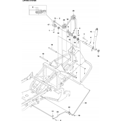
Mower Lift Assembly

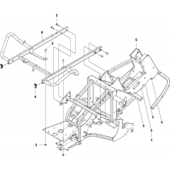
Height Adjustment Assembly

Fuel System for Husqvarna RC 320Ts

Frame Assembly for Husqvarna RC 320Ts

Cover Assembly for Husqvarna

Collector Assembly for Husqvarna

Chassis Assembly for Husqvarna

Belt Assembly for Husqvarna

Auger Assembly for Husqvarna

Engine Assembly for Husqvarna

Steering Assembly for Husqvarna

Controls Assembly for Husqvarna

Wheels and Tires for Husqvarna

Transmission Assembly for Husqvarna

Electrical Assembly for Husqvarna

Decals for Husqvarna RC 320Ts

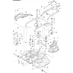
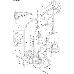
41" Cutting Deck for Husqvarna

44" Cutting Deck for Husqvarna

41" Cutting Deck for Husqvarna

44" Cutting Deck Assembly

Parts for Husqvarna RC 320Ts AWD

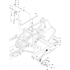
Hydraulic Pipe Assembly
All products
-
Washer Steel for Husqvarna K760 - 503 23 01 16£1.44 £1.20
-
Tensioner for Husqvarna PR15, PR17 Riders - 506 99 30-01£59.94 £49.95