
Husqvarna R320 AWD Rider Parts
Spares for Husqvarna R320 AWD Riders
Spares for Husqvarna R320 AWD Riders
Shop by diagram

Cover Assembly-1 for R320 AWD

Fuel System for Husqvarna R320

Seat Assembly for Husqvarna R320

Cover Assembly-2 for Husqvarna

Cover Assembly for R320 AWD

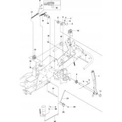
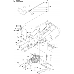
Chassis Rear Assembly for R320

Chassis Rear Assembly

Chassis/Frame for Husqvarna R320

Chassis Rear Assembly

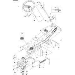
Steering Assembly for R320 AWD

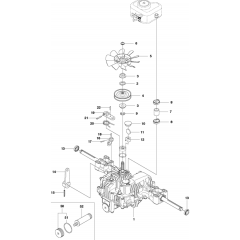
Transmission Assembly for R320 AWD

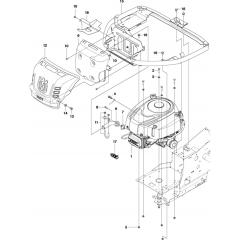
Engine Assembly for R320 AWD

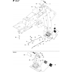
Mower Lift Assembly

Height Adjustment Assembly

Transmission Assembly for R320 AWD

Hydraulic Pump Motor Assembly

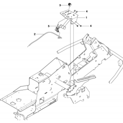
Controls Assembly for R320 AWD

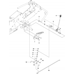
Pedals Assembly for Husqvarna R320

Electrical Assembly for R320 AWD

Wheels and Tyres for Husqvarna R320

94cm Cutting Deck Assembly

Decals for Husqvarna R320 AWD

94cm Cutting Deck Assembly

Frame Assembly for R320 AWD

103cm Cutting Deck Assembly

103cm Cutting Deck for Husqvarna R320

44" Cutting Deck for Husqvarna R320

44" Cutting Deck for Husqvarna R320
All products
-
Rod for Husqvarna RIDER 15 T Mower - 506 90 82-01£10.84 £9.03