
Husqvarna R316 TX AWD Rider Parts
Spares for Husqvarna R316 TX AWD Riders
Spares for Husqvarna R316 TX AWD Riders
Shop by diagram

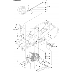
Chassis/Frame for Husqvarna R316

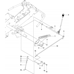
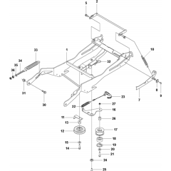
Chassis Rear Assembly

Chassis Rear Assembly

Chassis Rear Assembly

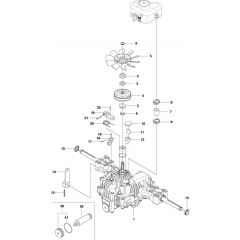
Transmission Assembly for Husqvarna

Transmission Assembly for R316 TX

Transmission Assembly for R316 TX

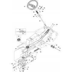
Steering Assembly for Husqvarna

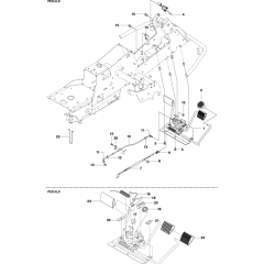
Pedals Assembly for Husqvarna

Mower Lift Assembly

Height Adjustment Assembly

Controls Assembly for Husqvarna

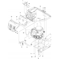
Engine Assembly for Husqvarna R316

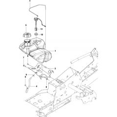
Fuel System Assembly

Electrical Assembly for R316 TX AWD

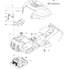
Cover Assembly for Husqvarna R316

Cover Assembly-2 for Husqvarna

Cover Assembly for Husqvarna R316

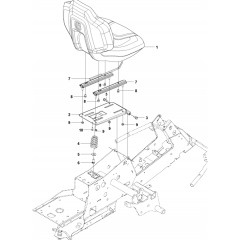
Seat Assembly for Husqvarna R316

Wheels and Tyres Assembly

Husqvarna R316 TX AWD Attachments

Decals for Husqvarna Riders
All products
-
Rod for Husqvarna RIDER 15 T Mower - 506 90 82-01£10.84 £9.03